Põhja-Sakala Vallavalitsus otsib ehitajat 8-boksilise kuuri rajamiseks
Põhja-Sakala Vallavalitsus otsib ehitajat, kes rajaks 8 boksiga kuuri aadressile Tallinna tn 7, Võhma linn.
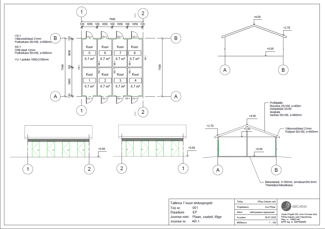
Projekti plaan ja vaated | Töömahtude tabel
Vallavalitsus soovib kuuri ehitust alustada ja valmis saada juba sel aastal. Kui oled huvitatud töö teostamisest:
- täida töömahtude tabel,
- saada see e-posti aadressile
- ning esita oma pakkumus hiljemalt 6. oktoobriks 2025 kell 12.00.
Küsimuste korral võid pöörduda:
ehitusspetsialist Avo Põder, tel 514 8685, e-post:
arendus- ja hankespetsialist Lembo Neerot, tel 527 3026, e-post: